Grohe Uniset - Set předstěnové instalace, klozetu, sedátka SoftClose a tlačítka Skate Cosmopolitan, Triple Vortex, kartáčovaná nerezová ocel SANI15BB2106
- Původní cena:24 876 Kč | Ušetříte:46 %
- Cena s DPH: 13 449 Kč / ks
- V nabídce od:07.09.2024
-
Dostupnost:skladem u dodavatele
9
ks
"Skladem u dodavatele" = zboží je či bývá obvykle skladem u dodavatele/výrobce, obvyklá expedice do 2-5 pracovních dnů (nemáme fyzicky na našem skladě)
- Kategorie: Závěsná WC - kompletní sety
- Katalogový kód:SANI15BB2106
- Výrobce:Grohe
- Model:Uniset
Varianty produktu
Kompletní WC set obsahuje
- podomítkový modul Uniset
- závěsné WC Euro Ceramic, s technologií Rimless a Triple Vortex
- WC sedátko, s technologií SoftClose
- splachovací tlačítko Skate Cosmopolitan, kartáčovaná nerezová ocel
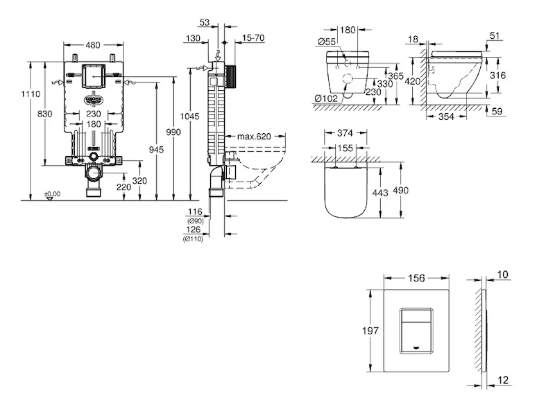
Uniset Modul pro WC, splachovací nádrž GD 2
- odhlučněný EPS-modul pro obezdění
- 830 x 470 x 130 mm
- kolejnicový adaptér pro upevnění modulu
- pro jednotlivou montáž nebo montáž na kolejnici
- nástěnná kolejnice s upevňovacím materiálem pro jednotlivou montáž
- 2 úchyty pro WC
- rozteč šroubů 180/230 mm
- upevnění keramiky
- odpadní koleno Ø90 mm
- hloubkově nastavitelné
- redukce Ø90/110 mm
- přívodní a odpadní souprava
- splachovací nádrž 6 - 9 l
- nastaveno z výroby na 6 l - 3 l
- pneumatický odtokový ventil nabízí 3 režimy chodu: 2-činné splachování, anebo start/stop a nebo nepřerušitelné (pouze start)
- možnost dopojení přívodu vody zleva/zprava/zezadu nebo shora
- skupina armatur I - nízká hlučnost
- izolováno od kondenzující vody
- přípojka vody DN 15 s integrovaným rohovým ventilem a šroubovým spojem bez použití nářadí
- pro vertikální nebo horizontální použití splachovacích tlačítek
Závěsný klozet Euro Ceramic
- materiál: glazovaná hladká keramika
- barva: alpská bílá
- pro podomítkové nádrže
- zadní odpad
- GROHE Triple Vortex technologie trojitého splachování
- hluboké splachování
- Rimless technologie
- objem spláchnutí 3/5 l
- spodní skrytá instalace
WC sedátko s funkcí softclose
- barva: alpská bílá
- materiál: duroplast
- s technologií pomalého sklápění SoftClose
- s poklopem
- odnímatelné, snadné upevnění shora
- panty z nerezové oceli
- včetně montážní sady
Ovládací tlačítko Skate Cosmopolitan
- barva: kartáčovaná nerezová ocel
- rozměr: 156 x 197 x 12 mm
- materiál: ABS
- povrchová úprava GROHE Long-Life
- pro 2-činné splachování nebo funkci start/stop
- pro pneumatický odtokový ventil AV1
- GROHE Water Saving – méně vody, dokonalý průtok



