Grohe Solido - Set předstěnové instalace, klozetu Edge Ceramic a sedátka softclose, tlačítko Even, chrom 39817000
- Původní cena:13 876 Kč | Ušetříte:28 %
- Cena s DPH: 9 990 Kč / ks
- V nabídce od:01.10.2022
-
Dostupnost:Expedice do 3-4 týdnů
Zboží nemáme fyzicky na našem skladě, delší termín dodání !!!
Odeslání z našeho skladu obvykle do 3-4 týdnů (až ho naskladníme)
- Kategorie: Závěsná WC - kompletní sety
- Katalogový kód:39817000
- Výrobce:Grohe
- Model:Solido
Kompletní instalační set pro závěsné WC obsahuje
- předstěnový instalační modul se splachovací nádrží 6-9 l
- nástěnnou přípojku a soupravu pro tlumení hluku
- keramický závěsný klozet Edge Ceramic včetně sedátka softclose
- 2-činné ovládací tlačítko Even
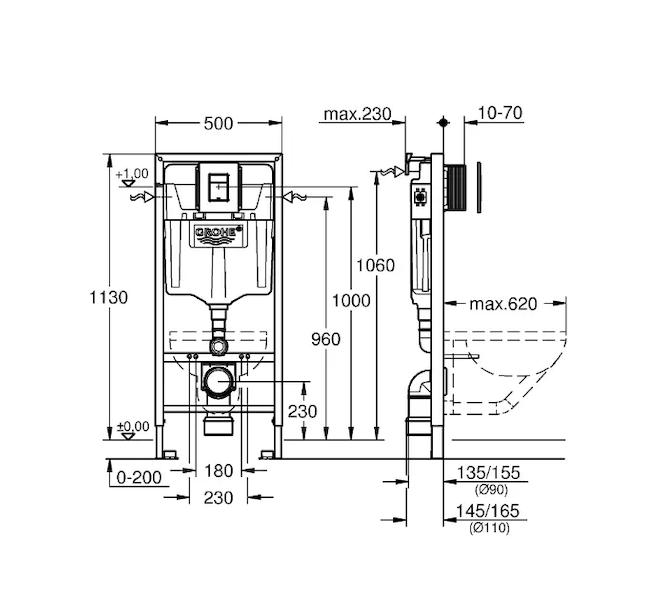
Rapid SL pro závěsné WC, splachovací nádrž GD 2
- stavební výška 1,13 m
- pro předstěnovou montáž nebo montáž do lehké příčky
- ocelový rám, práškové lakování, samonosný
- pro obložení sádrokarton
- kompletně předmontováno
- pevné objektové přípojky
- upevňovací materiál
- rychlé nastavení, uzamykatelné
- 2 úchyty pro WC
- upevnění keramiky
- rozteč šroubů 180/230 mm
- odpadní koleno Ø 90 mm
- hloubkově nastavitelné
- redukce Ø 90/110 mm
- přívodní a odpadní souprava
- splachovací nádrž 6 - 9 l (nastaveno z výroby na 6 l - 3 l)
- pneumatický odtokový ventil nabízí 3 režimy chodu: 2-činné splachování nebo start/stop a nebo nepřerušitelné (pouze start)
- přívod vody zleva/zprava/zezadu
- skupina armatur I - nízká hlučnost
- izolováno od kondenzující vody
- pro instalaci není třeba nářadí
- kontrolní hřídele včetně ochrany během fáze výstavby
- přípojka vody DN 15 s integrovaným rohovým ventilem a šroubovým spojem bez použití nářadí
- pro vertikální nebo horizontální použití
- instalace na místě
- 2 úhelníky pro stěnu s upevňovacím materiálem
Závěsné WC Start Edge Ceramic
- hluboké splachování
- bezokrajové splachování rimless
- zadní odpad
- objem spláchnutí 3/5 l
- materiál: glazovaná hladká keramika
- barva: alpská bílá
WC sedátko s poklopem a funkcí SoftClose
- odnímatelné
- snadná demontáž
- materiál: duroplast
- barva: alpská bílá
Ovládací tlačítko Even
- pro 2-činné splachování nebo funkci start/stop
- pro pneumatický odtokový ventil AV1
- horizontální a vertikální montáž
- rozměr: 156 x 197 mm
- vyrobeno z ABS
- GROHE EcoJoy technologie pro nízkou spotřebu vody a perfektní průtok
- GROHE StarLight chromový povrch

