Grohe Rapid SL - Set předstěnové instalace, klozetu Oudee Vortex a sedátka softclose, tlačítko Skate Cosmopolitan, chrom SANI11BA3109
- Původní cena:13 527 Kč | Ušetříte:51 %
- Cena s DPH: 6 639 Kč / ks
- V nabídce od:14.03.2025
-
Dostupnost:Skladem u dodavatele
> 10
ks
"Skladem u dodavatele" = zboží je či bývá obvykle skladem u dodavatele/výrobce, obvyklá expedice do 2-5 pracovních dnů (nemáme fyzicky na našem skladě)
- Kategorie: Závěsná WC - kompletní sety
- Katalogový kód:SANI11BA3109
- Výrobce:Grohe
- Model:Rapid SL
Set obsahuje
- předstěnový instalační modul Grohe Rapid SL se splachovací nádržkou pod omítku
- keramický závěsný klozet kielle Oudee se sedátkem SoftClose
- ovládací tlačítko Grohe Skate Cosmopolitan pro 2-činné splachování
- soupravu pro tlumení hluku a nástěnnou přípojku
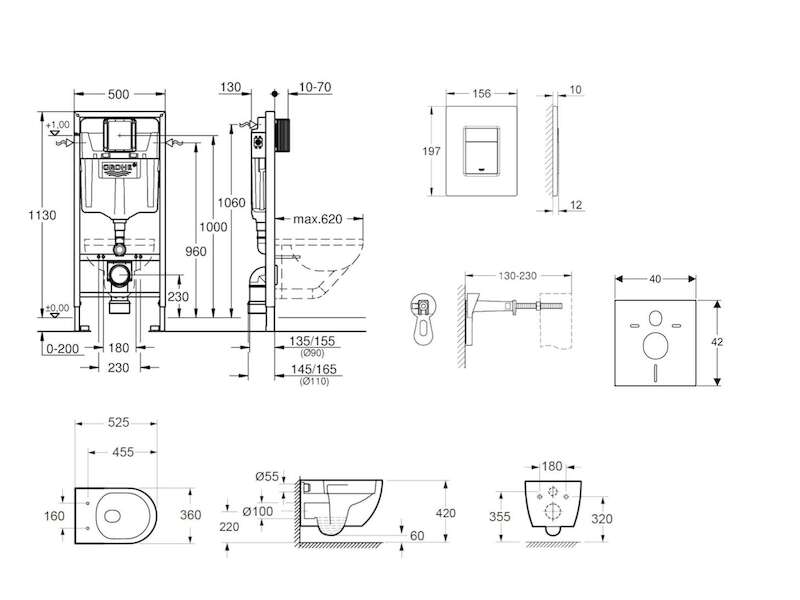
Předstěnový instalační modul Rapid SL pro závěsné WC se splachovací nádrží GD 2
- stavební výška 1,13 m
- pro předstěnovou montáž nebo montáž do lehké příčky
- ocelový rám, práškové lakování, samonosný
- pro obložení sádrokartonem, kompletně předmontováno
- pevné objektové přípojky
- rychlé nastavení, uzamykatelné
- upevňovací materiál
- certifikováno TÜV
- 2 úchyty pro WC
- upevnění keramiky
- WC keramika s plochou menší než 205 mm vyžaduje dodatečné příslušenství 38 779 000
- rozteč šroubů 180/230 mm
- odpadní koleno Ø 90 mm
- hloubkově nastavitelné
- redukce Ø 90/110 mm
- přívodní a odpadní souprava
- splachovací nádrž GD 2, 6 - 9 l
- nastaveno z výroby na 6 l - 3 l
- pneumatický odtokový ventil nabízí 3 režimy chodu: 2-činné splachování nebo start/stop a nebo nepřerušitelné (pouze start)
- přívod vody zleva/zprava nebo zezadu
- skupina armatur I - nízká hlučnost
- izolováno od kondenzující vody
- přípojka vody DN 15 s integrovaným rohovým ventilem a šroubovým spojem bez použití nářadí
- pro instalaci není třeba nářadí
- kontrolní hřídele včetně ochrany
- během fáze výstavby
- pro vertikální nebo horizontální použití
Ovládací tlačítko Skate Cosmopolitan
- pro 2-činné splachování nebo funkci start/stop
- pro pneumatický odtokový ventil AV1
- horizontální a vertikální montáž
- rozměry: 156 x 197 mm
- vyrobeno z ABS
- GROHE StarLight chromový povrch
- GROHE EcoJoy technologie pro nízkou spotřebu vody a perfektní průtok
Nástěnná přípojka Rapid SL
- pro předstěnovou montáž
- pro upevnění prvků ke zdi nebo před lehkou příčku
- postupné nastavení hloubky 130-230 mm
- úchyt pro obložení pro jednotlivou nebo řadovou montáž
- upevňovací materiál
- 2 kusy v balení
Závěsné WC
- Vortex Rimless - bezokrajové provedení, zajišťuje dokonalé očištění toalety pomocí vodního víru
- barva: bílá
- rozměry: 360 x 525 mm
- skryté upevnění
- hluboké splachování
- splachovací objem 4/6 l
WC sedátko
- s funkcí pomalého sklápění SoftClose
- barva: bílá
- EasyLock lehce odnímatelné pro snadnou údržbu
Protihluková sada
- pro závěsné WC nebo závěsný bidet
- pro montáž keramiky se vzdáleností upevnění 18 cm nebo 23 cm
- přerušuje přenos hluku u WC a bidetu
- materiál: polyetylén-pěna
- obsahuje: 1x zvukově izolační vložku, 2x podložku



