Grohe Dřezy - Kompozitní dřez K700 s automatickým odtokem, 78x51 cm, granitová černá 31652AP0
- Původní cena:11 489 Kč | Ušetříte:28 %
- Cena s DPH: 8 272 Kč / ks
- V nabídce od:16.10.2019
-
Dostupnost:Skladem u dodavatele
6
ks
"Skladem u dodavatele" = zboží je či bývá obvykle skladem u dodavatele/výrobce, obvyklá expedice do 2-5 pracovních dnů (nemáme fyzicky na našem skladě)
- Kategorie: Kompozitní dřezy
- Katalogový kód:31652AP0
- Výrobce:Grohe
- Model:Dřezy
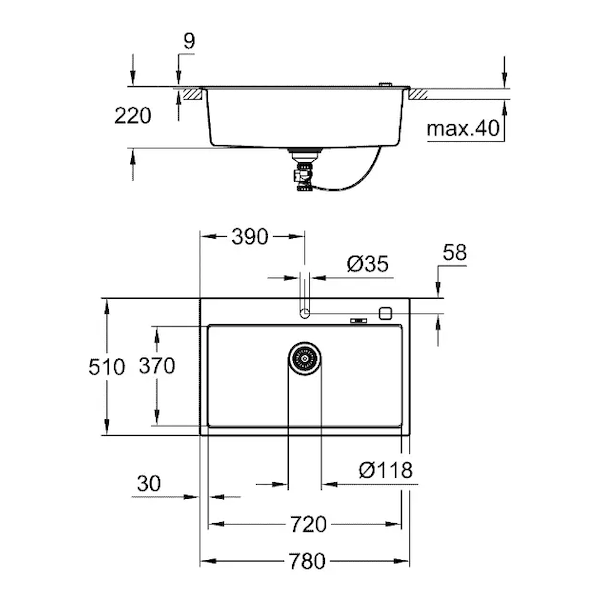
Kuchyňský dřez
- typ montáže: standardní
- minimální velikost skříňky 800 mm
- materiál: křemenný kompozit
- GROHE Whisper speciální izolační vrstva
- rozměr dřezu: 780 x 510 mm
- velikost sektoru dřezu: 720 x 370 x 220 mm
- velikost výřezu: 764 x 494 mm
- GROHE QuickFix rychlomontážní systém
- včetně automatické odtokové soupravy s excentrickým ovládáním (bez nutnosti sahat do špinavé vody)
- sítko na nečistoty
- Model: dřezy


