Geberit Duofix - Set předstěnové instalace, klozetu Oudee a sedátka softclose, tlačítko Delta50, matná černá SANI11CA5129B
- Původní cena:14 257 Kč | Ušetříte:48 %
- Cena s DPH: 7 412 Kč / ks
- V nabídce od:17.05.2025
- 
                                    Dostupnost:skladem u dodavatele
                                                                        > 10
                                                ks
                                        
                                                    
                        "Skladem u dodavatele" = zboží je či bývá obvykle skladem u dodavatele/výrobce, obvyklá expedice do 2-5 pracovních dnů (nemáme fyzicky na našem skladě) 
- Kategorie: Závěsná WC - kompletní sety
- Katalogový kód:SANI11CA5129B
- Výrobce:Geberit
- Model:Duofix
Varianty produktu
| Foto | Název | Cena | |
|---|---|---|---|
|   | Geberit Duofix - Set předstěnové instalace, klozetu Oudee a sedátka softclose, tlačítko Delta30, alpská bílá SANI11CA3132B skladem u dodavatele > 10 ks | 6 757 Kč 5 584 Kč bez DPH | 
Set obsahuje
- předstěnový instalační modul Geberit Duofix se splachovací nádržkou pod omítku
- keramický závěsný klozet kielle Oudee se sedátkem SoftClose
- ovládací tlačítko Geberit Delta50 pro 2-činné splachování
- soupravu pro tlumení hluku
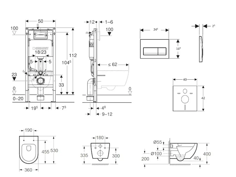
Předstěnový instalační modul Duofix pro závěsné WC se splachovací nádržkou Delta 12 cm
- pro zabudování do předstěnové instalace na částečnou nebo celou výšku místnosti před masivní stěnou nebo stěnou prováděnou suchým procesem
- pro tloušťku podlahy 0 - 20 cm
- pro ovládání zepředu
- pro ovládání pomocí Geberit ovládacích tlačítek Delta
- pro připojení Geberit AquaClean
- nevhodný pro zabetonování
Vlastnosti
- geberit Delta splachovací nádržka pod omítku 12 cm (UP100), ovládání zepředu
- samonosný rám s nanesenou práškovou barvou
- rám pro nástěnné WC s připojovacími rozměry dle EN 33 a přesahem do 62 cm
- alternativní montážní poloha pro nástěnné kotvy
- podpěry pozinkované
- hloubka základní desky vhodná pro instalaci do U-profilů UW 50
- připojovací koleno lze namontovat bez použití nářadí
- splachovací nádržka pod omítku izolovaná proti orosování
- pro 1-činné, 2 -činné nebo Start/Stop splachování
- u nastavení z výroby je možné okamžité dodatečné spláchnutí
- přípojka vody vzadu nebo nahoře uprostřed
- vybaven trubkovou chráničkou pro přívodní potrubí k připojení sprchovacích WC Geberit AquaClean
- s možností upevnění pro přívod elektřiny
Technické informace
- tlak při průtoku: 10-1000 kPa
- maximální teplota vody: 25 °C
- splachovací množství, nastavení ve výrobě: 6 a 3 l
- velké splachovací množství, rozsah nastavení: 4 / 4.5 / 6 / 7.5 l
- malé splachovací množství, rozsah nastavení: 2-4 l
- výpočtový průtok: 0.09 l/s
- minimální přetlak pro výpočtový průtok: 10 kPa
Rozsah dodávky
- přívod vody R 1/2", vhodný pro MF, s integrovaným rohovým ventilem a ručním ovládacím kolečkem
- kryt pro hrubou montáž pro servisní otvor
- připojovací souprava pro WC, Ø 90 mm
- připojovací koleno 90° z PE-HD, Ø 90 mm
- přechodka z PE-HD, Ø 90 / 110 mm
- 2x distanční šrouby
- 2x nástěnné kotvy
- upevňovací materiál
Závěsné WC Oudee
- barva: bílá
- rozměry: 360 x 530 mm
- Rimless bezokrajové provedení
- skryté upevnění
- hluboké splachování
- splachovací objem 4/6 l
WC sedátko
- barva: bílá
- s funkcí pomalého sklápění SoftClose
- lehce odnímatelné pro snadnou údržbu
Ovládací tlačítko Geberit Delta50
- barva: matná černá
- materiál plast
- rozměry 246 x 164 x 23 mm
- pro 2 množství splachování
- ovládací síla < 20 N
- ovládání zepředu
Součásti balení
- upevňovací rámeček
- 2 tyčky tlačítka
- upevňovací materiál
Protihluková sada
- pro závěsné WC nebo závěsný bidet
- pro montáž keramiky se vzdáleností upevnění 18 cm nebo 23 cm
- přerušuje přenos hluku u WC a bidetu
- materiál: polyetylén-pěna
- obsahuje: 1x zvukově izolační vložku, 2x podložku
 
         
 
         
                         
                         
                         
                         
                         
                         

